
中國新能源汽車分為三類,純電動汽車、插電式(含増程式)混合動力汽車、燃料電池汽車。目前動力電池技術水平明顯提升,但其瓶頸還沒有真正突破。正如交通運輸部有關領導在電動汽車百人會2016年度會議上抱怨的那樣:目前的新能源汽車整車的技術水平離終端用戶的要求距離較遠,是在折騰基層的駕駛員。新能源汽車必須滿足用戶的基本要求,讓以交通運輸部為代表的客戶滿意是必須的,要完成這一任務十分很艱巨。唯一可以做的是不斷地創新,加快創新速度。本文對電動汽車用富氫增増程器予以介紹與研究,其基本意圖,對破解目前新能源汽車破解瓶頸有較大的幫助。
一、増程器的概念
增程器只是個廣義的名稱。純電動汽車對用戶而言一次充電后續駛里程短的瓶頸。為了增加純電動汽車行一次性行駛駛里程,業界已經提出較大的方案,其中在純電動汽車上加裝一個附加儲能部件的技術方案,這比混合動力方案有了明顯的優化。確保了“純電驅動”技術路線得到貫徹執行,在純電動汽車的基礎上增加一個增程器,國家是有補貼的。
增程器的形式通常有:小型發電機、蓄電池和燃料電池等。普遍的做法是用小型發電機,來做増程器。技術上,増程器是小型發電機系統,來給動力電池補充電能。
二、増程器汽車能量傳遞路徑
増程器(小型發電機)發的電,是給車載動力電池進行充電用的,不直接給電機供電。從整車上來講,是在純電動汽車基礎上,加了一個發電機系統而已,其能量專遞路徑邏輯如圖1所示。

圖1 増程器汽車能量傳遞路徑
能量傳遞路徑是串聯的,結構簡單。増程器(小型發電機)可以高度集成一個總成,安裝位置較為靈活。増程器(小型發電機)電能輸入動力電池的接口按照國家有關現行標準即可。
増程器汽車是以純電動汽車為基礎的,不同的地方是,比純電動汽車動力電池容量要低得多,一次續駛里程比純電動汽車要長許多,與傳統燃料車基本相同。目前一些的電動汽車里程短,用戶是不滿意的,即使高頻次充電也是不得已的辦法。這個水平的電動汽車是無法取代傳統汽車的。
三、増程器電動汽車動力總成邏輯關系圖
増程器電動汽車動力總成邏輯關系如圖2所示:

圖2 電動汽車増程器動力總成邏輯關系
從圖2的邏輯關系上可以看出:
増程器是一個相對獨立的總成,由發動機+發電機組成。増程器不工作時,此車就是一臺純電動汽車,從功能上看,増程器是一個載充電機裝置。
配増程器的電動汽車,發動機(內燃機)僅為發電機提供動力,可以采用電機直驅,無需變速箱離合器等機械結構,與車輛無機械連接,實現了動力解耦,機械結構簡單,車輛性能更加穩定可靠。
配増程器的電動汽車,全工況范圍內電機無級調速驅動,具有純電動車輛同等的平順性及舒適性,為駕乘帶來最佳體驗;低速時自動切換到純電動模式,在堵車、低速工況,更加安靜、節能。
四、市面目前増程器產品基本情況
1)市面目前不同品牌増程器產品有汽油、柴油的兩大類:
(1)汽油増程器產品及參數如圖3、圖4所示:

圖3 市面不同品牌的増程器產品外形圖

圖4 汽油増程器基本參數
(2)柴油増程器產品外形、基本配置、參數如圖5、6、7所示:

圖5 柴油増程器產品外形圖(1000*1000*700)
(2)柴油増程器基本配置示意圖

圖6 柴油増程器基本配置示意圖

表1 柴油増程器基本參數
2)市面目前増程器產品基本特點
①無論汽油還是柴油的増程器都是2缸機,而發動機基本上4缸機,也有6缸以上的機器。這一點與目前插電式混合動力是本質區別的。插電式混合動力是配發動機的,而増程器陪的小功率內燃機,其已經沒有發動機的功能了。
②技術特點:以斯太爾增程器為例。斯太爾增程器的核心部件主要由三個部分構成, M12發動機、TFM電機,以及電機控制系統。 M12 Rex增程器采用臥式2缸柴油機設計,結合高壓共軌、渦輪增壓、內置中冷器等技術,特別是采用博世最新一代電控高壓共軌噴射系統及SCR尾氣后處理技術,具有體積小、重量輕、油耗低等特點。其柴油機輸出功率為40kW,采用一體式設計發電機,凈功率輸出為37kW。基于這些獨特高超的性能,M12 REX增程器應用范圍廣泛,可應用于新能源專用車、物流車、6-12米客車以及港口碼頭專用車領域等。
③無論汽油還是柴油的増程器都是燃油內燃機技術,這一點發動機沒有區別,尤其要必須要應用尾氣環保技術。
④目前市面上,無論汽油還是柴油的増程器都是國外品牌,或者是外資企業的產品,核心技術被國外品牌控制。
五、目前市面上燃油増程器的不足
中國發展新能源汽車,有“彎道超車”的初衷,如何“彎”道?筆者理解,“純電驅動”基本找到彎道超車的落腳點,已經具有“中國特色”。驅動模式已經明確,但是驅動車載電機的“電”如何上車,基本是2種,一是動力電池接受電網充電;二是車載燃料發電。
接受電網充電技術有了長足的進步,但是動力電池比能量太低,純電動汽車一次續駛里程與燃油汽車、CNG汽車相比,相差太遠,充電時間與加燃油、加天然氣相比,時間太長。
車載發電機發電基本途徑有:內燃機發電、燃料電池2種。燃料電池發電目前已經列于國家級示范推廣項目。
而燃油內燃機發電技術已經很成熟了。但是車載燃油內燃機(増程器)發電,依然燒的是油,與燃油發動機燒油的基本原理是相同的,沒有區別,不直接驅動,但是在轉成電以后,效率變得更低了。
目前基本有天然氣、氫氣供給車載載燃氣內燃機發電。這個技術方案又面臨氣體如何上車及安全如何保障?如果増程器使用的內燃機使用燃料依然是汽(柴)油,必須要用三元催化技術,進行尾氣處理。目前増程器汽車對燃油的依賴是客觀存在的,達不到零排放的要求,離發展新能源汽車的初衷還有相當一段的距離。
六、在燃油燃油増程器上的再創新
主要思路是借用甲醇裂解富氫技術(華中科技大學能源與機械工程學院《甲醇裂解醇氫科研項目組》蔣炎坤教授團隊的專利),對目前市面上的増程器進行優化。具體思路如下:
1)車載甲醇裂解制富氫的機理介紹
在車載甲醇裂解制富氫裝置中,熱力學上的甲醇裂解是一個吸熱反應過程,甲醇(CH3OH)在催化劑和一定溫度作用下(吸熱過程反應)產生C-H和C-O鍵的催化活性及C-C鍵的偶聯反應,實現甲醇裂解變成為氫氣(H2)和一氧化碳(CO)(反應式:CH3OH→CO+2H2)。
眾所周知,車載內燃機(發動機)所產生的熱量的1/3在做功、1/3在制冷降溫、1/3因燃燒不充分而通過廢氣排放到外部浪費。這個外排能量是可用起來的。
2)車載甲醇裂解制富氫裝置原理介紹
在車輛上把原來的消聲器,用甲醇制氫裝置換即可。利用發動機的尾氣余熱,產生約400℃的高溫,使一定純度的甲醇(75%)在隔絕空氣的封閉容器內,經催化,裂解為氫氣和一氧化碳氣。基本成分有:64%的氫氣、32%的一氧化碳氣、剩余甲烷等的混合氣體。
七、富氫増程器與燃油増程器相比的優點
1)可以利用尾氣的自身熱量裂解甲醇,無需在車輛上專設供熱裝置。既利用了尾氣余熱,又節省了裂解甲醇所需的能耗。
2)車輛中無需裝設高壓氣瓶儲氫,也無需到加氫站去加氫續行。排除了運氫和儲氫環節中的各項難題。
3)發動機啟動和怠速時、尾氣溫度很低,不能完成甲醇裂解的化學反應。但是可利用電動汽車蓄電池的能量,啟動發動機,帶動內燃機,內燃機沒有啟動和怠速。
4)無需高純高純度(90%以上)的精甲醇,用75%純度的粗甲醇即可,具有普遍推廣的的經濟價值。
八、當前車載甲醇裂解制氣體主要與汽(柴)油參燒
主要原因是:氣態氫本身的燃燒熱值較高,加上強勁的火焰傳播速度、能促進其他燃料加速燃燒。但是氣態氫質量密度小,無法滿足大型發動機做功要求,于是參燒是一個比較靠譜的方案。
不同燃料參燒方案的不足:車上必須要求有兩套不同的燃料供給燃料系統,這也是用戶不能接受的。這說明,即使參燒方案,原理科學,技術可行,但是市場上也是行不通的。
九、車載甲醇裂解制氣用于改裝現有的増程器,市場上是完全是可行的
目前市面上増程器基本上是汽油、柴油的2缸內燃機,功率在30Kw-40Kw之間。用甲醇裂解富氫技術(華中科技大學能源與機械工程學院《甲醇裂解醇氫科研項目組》蔣炎坤教授團隊專利)來改裝目前市面上増程器,不用兩種以上燃料的進行參燒了。
一般情況下甲醇熱值較低(汽油的40%),但是在車載式甲醇裂解制氣的幫助下,其熱值較低可以提高到(汽油的90%)以上,再加上増程器功率較小,甲醇與富氫(由甲醇裂解而來)兩種燃料參燒比例由目前的2:8會更高。由于甲醇與富氫參燒過程,對用戶來說是透明的,市場上完全可以接受的。
①甲醇熱值較裂解前提高了27%以上。
②甲醇裂解氣含H2、CO、CH4可燃混合氣體,其產氣率高達95%及以上。
④汽油摻燒甲醇裂解氣發動機動力保持在95%以上;
④用100%甲醇替代汽油,滿足節約汽油100%的要求。
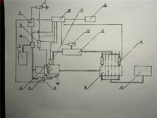
十、公交車上《車載甲醇裂解制氣裝置系統》介紹
1) 車載甲醇裂解制氣系統組成

圖7 車載甲醇裂解制氣系統組成示意圖
注:(1.電源(蓄電池) 2.點火開關 3.電磁開關 4.甲醇泵 5.甲醇箱 6.溫度傳感器 7.甲醇裂解裝置 8.甲醇噴射器 9.發動機 10.燃油箱 11.電磁閥 12.氫氣、一氧化碳儲罐 13.壓力傳感器 14.顯示屏 15.電加熱器 16.控制器ECU)
2)甲醇裂解制氣系統工作過程
①點火開關開啟,甲醇泵4開始工作,甲醇泵4 將甲醇箱5的甲醇導入進入預熱管;
②預熱后的甲醇經尾氣再加熱,由裝置下部的4個甲醇霧化噴入口進入甲醇裂解裝置7內部;
③甲醇裂解裝置7內部的甲醇在耐高溫、耐氧化催化劑和約400℃溫度作用下、分解成氫氣(H2)和一氧化碳(CO)。氫氣(H2)和一氧化碳(CO);
④進入儲氣罐12冷卻、儲存;
⑤依據發動機的工況變化,控制器ECU16發出指令,在進氣門打開時、打開電磁閥11,氫氣(H2)和一氧化碳(CO)噴入進氣歧管進氣門處,和新鮮空氣(可燃混合氣)一同進入發動機氣缸,參與燃燒;
⑥溫度傳感器6將溫度信號傳輸給控制器ECU16,按甲醇裂解裝置7內的溫度高低,控制電磁閥8的開、閉,調節進入氣缸的甲醇供給量和電加熱器15的通斷;
⑦當發動機排出的尾氣不能保證甲醇裂解需要的溫度時,控制器ECU16發出指令,電加熱裝置導通工作,保證甲醇裂解的正常溫度,使裂解持續進行;
⑧當發動機尾氣足夠供給裂解裝置所需的熱量時,溫度傳感器輸出信號給控制器ECU16發出指令,電加熱器15斷電,仍由發動機尾氣獨立供熱。
⑨在發動機起動或怠速時,發動機尾氣的溫度太低,控制器ECU16發出指令,電加熱器15導通,由蓄電池供電,保證裂解裝置7的正常裂解溫度,使裂解反應正常進行。裂解產生的低壓氫氣(H2)和一氧化碳(CO)進入不銹鋼的氣體儲罐12;
⑩在控制器ECU16的指令,控制電磁閥11的關閉,按發動機工況、供給不同定量的低壓氫氣(H2)和一氧化碳(CO),和空氣混合,(可燃混合氣)一起進入氣缸參與燃燒。
3)發動機尾氣通過裂解器的路徑分析
①甲醇裂解裝置7內部結構組成示意圖

圖8 甲醇裂解裝置7內部結構組成
注(1.催化劑 2.氫氣(一氧化碳)出口 3.外殼與保溫層; 4.低溫廢氣出口 5.高溫廢氣入口 6.甲醇噴口 7.甲醇預熱管 8.甲醇入口 9.電加熱器 10.溫度傳感器)
②催化劑布置結構
催化劑布置結構原則,要能充分利用發動機尾氣的熱能,從發動機尾氣中吸收熱量,催化劑分成三部分、發動機尾氣分成4部分,進行熱交換,以加大接觸傳熱面積,見圖所示。

圖9 發動機尾氣通過裂解器的路線示意圖
注:(1.發動機尾氣進口 2.尾氣4個通道 3.裂解器外殼與保溫層 4.催化劑 5.發動機尾氣出口)
十一、富氫増程器推廣的意義
富氫増程器推廣的意義,實現了發展新能源汽車的初衷:
1.實現能完成節能減排的目標,用100%甲醇替代汽油,滿足節約汽油100%的要求,滿足國五排放要求;
2.鞏固了“純電動驅動”的技術路線,彎道突破了目前動力電池比能量瓶頸;
3.為用戶帶來新的價值,75%的甲醇價格是汽油價格五分之一,用戶使用費用降低80%;
4.降低新能源汽車制造成本,電動汽車車載動力電池少裝四分之三以上。
